|
Современное состояние промышленной сети в ряде регионов
России характеризуется значительным отклонением её основного параметра-напряжения
от действующих стандартов.
В данной статье не предполагается проведение анализа причин сложившейся
ситуации, а рассматривается вопрос стабилизации напряжения промышленной
сети для потребителей электроэнергии.
Для обеспечения стабильного переменного напряжения в основном используется
четыре разновидности стабилизаторов:
- Феррорезонансные стабилизаторы;
- Стабилизаторы напряжения с подмагничиванием сердечника;
- Электромеханические стабилизаторы (ЭМС);
- Дискретные ключевые стабилизаторы (ДКС).
Каждая разновидность стабилизаторов имеет как свои достоинства,
так и свои недостатки.
Известен и ряд Российских фирм-изготовителей указанных стабилизаторов.
Не вдаваясь в конкурирующие особенности стабилизаторов от различных
производителей, проанализируем их объективные показатели.
Электромагнитные феррорезонансные стабилизаторы напряжения
в своей основе используют резонансные явления.
Стабилизаторы данного типа могут быть односердечниковые или состоять
из двух элементов: дросселя и трансформатора.
Упрощенная схема феррорезонансного стабилизатора приведена на Рис.
1. |
 Рис. 1
|
В указанных стабилизаторах используются несимметричные
сердечники.
На части сердечника, имеющего большее сечение, располагается первичная
обмотка U1 к которой подводится входное напряжение и
компенсационная обмотка (Uk). На части сердечника, имеющего
меньшее сечение, располагается вторичная обмотка U2 и
резонансная.
К резонансной обмотке подключен конденсатор Ср, который обеспечивает
резонанс токов в данной обмотке, благодаря чему напряжение на вторичной
обмотке (ИВых) меняется в меньших пределах в сравнении
с входным напряжением (ИВх).
Обмотки U1 и Uk работают в режиме слабого
насыщения, обмотки Up и U2 - сильного насыщения.
При повышении (понижении) входного напряжения (Uвх) изменяется напряжение
на компенсационной обмотке (Uk), которое вычитается из
напряжения выходной обмотки (UВых) поддерживая его на
заданном уровне.
Стабилизаторы напряжения с подмагничиваемыми сердечниками.
Стабилизаторы данного типа используют в качестве регулирующего элемента
дроссель насыщения.
Главная особенность этих стабилизаторов - зависимость инерционности
от коммутируемой мощности.
Упрощенная схема силового узла рассматриваемых стабилизаторов приведена
на Рис.2. |
 Рис. 2
|
Входное напряжение поступает на клеммы Uвх
и соответственно на обмотки ω1 и дроссель насыщения
Др1.
Нагрузка подключается к Uвых. Параллельно трансформатору
включается контур из последовательно соединенных дросселя Др2 и
конденсатора С1. Контур настроен на третью гармонику сети и служит
для улучшения формы кривой стабилизированного напряжения.
Параллельно нагрузке (Uвых) включен дроссель ДрЗ, который
расширяет диапазон стабилизации напряжения при изменении тока нагрузки.
К обмотке управления («Упр») подключается электронный блок управления.
При увеличении, например, входного напряжения или уменьшении тока
нагрузки, его выходное напряжение стремиться, так же увеличиться.
С электронного блока поступает сигнал, увеличивающий насыщение дросселя
Др1 и тем самым уменьшающий величину выходного напряжения.
При уменьшении входного напряжения процесс идет с уменьшением тока
насыщения дросселя. Таким образом осуществляется стабилизация выходного
напряжения.
Электромеханические стабилизаторы.
Электромеханические стабилизаторы обеспечивают стабилизацию выходного
напряжения посредством установки движка токосъемника на требуемый
уровень.
Если условно развернуть силовой узел электромеханического стабилизатора,
который, как правило, выполняется на тороидальном сердечнике, то
получим следующую линейную схему (Рис.3) |
 Рис. 3
|
С помощью движка токосъемника устанавливается
на выходе требуемое напряжение. Электронная схема отслеживает изменение
входного напряжения и передвигает с помощью электродвигателя ползунок
токосъемника в соответствующем направлении.
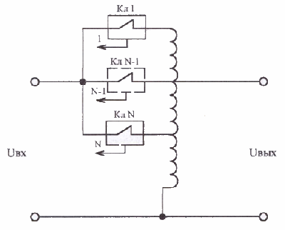
Дискретные ключевые стабилизаторы.
Дискретные ключевые стабилизаторы используют способ дискретного
регулирования напряжения, который заключается в том, что уменьшение
или увеличение выходного напряжения осуществляется за счет ступенчатого
изменения коэффициента передачи регулирующего органа.
Большинство стабилизаторов указанного типа («Лидер», «Элтор», «Штиль»)
используют в качестве регулирующего органа автотрансформатор. Ключевыми
устройствами являются электромеханические реле, симисторы, тиристоры.
В стабилизаторах указанного типа процесс регулирования идет, как
правило, способом последовательного приближения к требуемой величине
коэффициента передачи регулирующего органа (автотрансформатора).
Такой способ описан, например, в авторском свидетельстве № 1636961,
МКл 5 Н 02 М 5/22.
В стабилизаторах серии «Элтор» запатентован способ,
позволяющий улучшить процесс регулирования за счет применения матрицы
управления, что позволяет, например, при наличии 8 ключей получить
16 ступеней регулировки, а при наличии 12 ключей, 36 ступеней регулировки.
[Патент России № 2178943 С1 с приоритетом от 17.05.2000 г.]
Практически, при необходимости, стабилизаторы серии «Элтор» могут
обеспечить непрерывный способ регулирования.
Причем требуемое количество ключевых элементов минимум в два раза
меньше, чем у обычных стабилизаторов. Типовая схема силовой части
дискретных стабилизаторов представлена на Рис.4 |

Рис. 4
|
Рассмотрев основные принципы построения стабилизаторов
различного типа, рассмотрим их достоинства и недостатки (мнение
авторов).
Основными параметрами стабилизаторов являются: нестабильность выходного
напряжения при заданной нестабильности входного напряжения, мощность
стабилизатора, коэффициент полезного действия, время установления
выходного напряжения, перегрузочная способность по току, коэффициент
нелинейных искажений, массогабаритные характеристики, наработка
на отказ.
1. Феррорезонансные стабилизаторы
1.1. Достоинства.
- непрерывное регулирование выходного напряжения;
- устойчивость электрических параметров за полный срок эксплуатации
стабилизатора;
- отсутствие трущихся механических, быстро снашивающихся деталей;
- устойчивость к воздействию электромагнитных помех;
- сравнительно низкая стоимость;
- простота конструктивного решения.
1.2. Недостатки.
- повышенный шум;
- сравнительно низкий коэффициент полезного действия (К.П.Д.),
в пределах 70 - 80%;
- искажение формы выходного напряжения (в ряде случаев величина
второстепенная);
- зависимость выходного напряжения от характера нагрузки (активная,
емкостная, индуктивная);
- сравнительно большая величина полей магнитного рассеяния;
- сравнительно высокие масса и габариты (Пример. Стабилизатор
С-0.9. Номинальная мощность 0,9 кВА; номинальный ток нагрузки
4,1 А; стабилизация напряжения ± 5%; К.П.Д. 75%, масса 37 кг.,
размеры 440 х245 х216 мм);
- сравнительно узкий диапазон входных напряжений (154 ... 253
В).
2. Стабилизаторы напряжения с подмагничиваемыми сердечниками.
2.1. Достоинства.
- те же, что и у стабилизаторов группы 1 за исключением стоимости
и простоты конструктивного решения.
2.2. Недостатки.
- те же, что и у стабилизаторов первой группы. Дополнительно
- инерционность установления выходного напряжения (в пределах
0,25 ... 0,6 с).
В качестве примера приведем массогабаритные характеристики стабилизатора
данного типа мощностью 10 кВА:
Масса - 260 кг;
Габариты - 885 х 815 х 565 мм.
3. Электромеханические стабилизаторы.
3.1. Достоинства.
- те же, что и у стабилизаторов первой группы за исключением
отсутствия трущихся механических деталей, стоимости и простоты
конструктивного решения;
- отсутствие искажений формы выходного напряжения.
3.2. Недостатки.
- инерционность установления выходного напряжения при «скачках»
входного напряжения;
- сравнительно узкий диапазон входных напряжений.
4. Дискретно-ключевые стабилизаторы.
4.1. Достоинства.
- отсутствие трущихся механических, быстро изнашиваемых деталей;
- широкий диапазон изменений входного напряжения (стандартное
значение стабилизаторов серии «Лидер», «Элтор», «Штиль» - 145
- 270 В);
- низкий уровень полей магнитного рассеяния;
- низкие массогабаритные характеристики (Например стабилизатор
серии «Элтор» мощностью 10 кВА. Масса - 35 кг. Размеры 410 х
230 х 300 мм);
- возможность сокращения шага дискретизации до приемлемо малой
величины;
- высокий К.П.Д., до 95% и более;
- малая величина нелинейных искажений.
4.2. Недостатки.
- более низкая устойчивость, чем у стабилизаторов групп 1,
2, 3 к электромагнитным импульсам при использовании в качестве
ключевых элементов - симисторов, тиристоров;
- сложность схем управления (предписываемый необъективный недостаток).
Действительно, вряд ли можно считать недостатком выполнение схем
управления на микроконтроллерах.
В заключении отметим, что выбор типа стабилизатора является достаточно
сложной проблемой, которая успешно может быть решена только при
наличии объективной информации о параметрах сети.
Приведенный сравнительный анализ стабилизаторов поможет на наш взгляд,
сделать правильный выбор исходя из объективных, физических возможностей
каждого типа с учетом рекламной информации.
Технический директор ООО
НПВФ "Бином - 2"
Кандидат технических наук
В.М. Семикин
|
|